You are using an outdated browser. For a faster, safer browsing experience, upgrade for free today.

BOSCH REXROTH
R978009278


$10,179.14 USD
  • BOSCH REXROTH
  • Material:R978009278
  • Model:4WRZE32W6-360-7X/6EG24N9K31/A1V

Quantity in stock: 0

Note: Sales tax, and shipping will be calculated at checkout.
***Disclaimer: The following summary contains information gathered from various sources such as product descriptions, technical specifications and catalogs. While efforts have been made to provide accurate details, inaccuracies may occur. It is advised to verify all information by contacting Bosch Rexroth directly.***
The Bosch Rexroth 4WRZE32W6-360-7X/6EG24N9K31/A1V (R978009278) is a high-performance industrial hydraulic valve designed to provide reliable control of oil flow direction, in accordance with the hydraulic symbol W. This particular model comes with integrated electronics, including an electrical connection with a connector pole PE conforming to EN standards, and it operates on a supply voltage of 24 VDC. It features a pilot-operated spool valve that is actuated electrically and has an external pilot oil supply as well as an external pilot oil return. The valve does not include a pressure reducing valve but boasts concealed manual override and auxiliary actuation options. Its spool symbol is W, and it can withstand a maximum pressure with seamless operation. The 4WRZE32W6-360-7X/6EG24N9K31/A1V offers multiple ports for connectivity and supports subplate mounting with connection diagrams compliant with NFPA T3.5.1 R2 D03 and ISO standards for its size CETOP D03. With analog connectivity accepting command values of 0-10 V, this Bosch Rexroth valve can handle various hydraulic fluids including HL, HLP, HLPD, HVLP, HVLPD, HETG, HEES, HEPG, HFDU, and HFDR types. It also features FKM seals which are known for their chemical resistance and durability under harsh conditions. This model is part of the WRZE series known for their proportional directional valves that use proportional solenoids for the precise control of flow direction and size. The main control spool within these valves is proportionally moved by the pilot control valve in response to electric signals; thus allowing for precise management of hydraulic systems in various applications. The design allows for optional manual override without solenoid energization but comes with warnings about potential accidental activations leading to uncontrolled machine movements. Internal leakage inherent to the valves' design could increase over their lifecycle but does not detract from their overall efficiency and effectiveness in controlling fluid dynamics within hydraulic systems.


Size 32, symbol W6, integrated electronics, 24 V DC

Industrial hydraulic valve in a high performance range, reliable control of oil flow direction according to hydraulic symbol

Unpacked Weight: 43.800 kg

Pilot-operated proportional directional valves type 4WRZ(E)… and 5WRZ(E).52…

Valves of type 4WRZ(E)... are pilot-operated 4-directional valves that are actuated by means of proportional solenoids. Their function is to control the flow direction and size.

Valves of type 5WRZ(E)... are equipped with an additional port "R" (only NG52).

Set-up:

The valve basically consists of:

Pilot control valve (9) with proportional solenoids (5 and 6)

Main valve (10) with main control spool (11) and centering spring (12)

Function:

With de-energized solenoids (5, 6), the main control spool (11) is held in the central position by means of the centering spring (12)

The main control spool (11) is controlled by the pilot control valve (9); the main control spool is proportionally moved, e.g. by actuating solenoid "b" (6)

→ The control spool (2) is moved to the right, pilot oil enters the pressure chamber (13) via the pilot control valve (9) and deflects the main control spool (11) proportionally to the electric input signal

→ Connection from P to A and B to T via orifice-type cross-sections with progressive flow characteristics

Pilot oil supply to the pilot control valve internally via port P or externally via port X

Switching off the solenoid (6)

→ The control spool (2) and main control spool (11) are moved back into the central position

Depending on the spool position, flow occurs from P to A and B to T or P to B and A to T (R)

An optional manual override (14 and 15) can be used to move the control spool (2) without solenoid energization.

Notice:

Accidental activation of the manual override may lead to uncontrolled machine movements!

Notice:

Due to the design principle, internal leakage which may increase over the life cycle is inherent to the valves.

technical illustration-R978009278-Size 32, symbol W6, integrated electronics, 24 V DC
With concealed manual override: With concealed auxiliary actuation
Spool valve
Pilot-operated
External pilot oil supply, external pilot oil return
Without pressure reducing valve
Component series 7X
Maximum operating pressure 350 bar
Size 10 … 32
Maximum flow 1600 l/min
Spool symbolSymbol W6
Max. pressure350
Electrical connection descriptionConnector 7-pole (6 + PE) according to EN 175201-804
Productgroup ID9,10,11,12,13,14
Number of ports4
Type of actuationElectrical with integrated electronics
Size32
Electrical connectorConnector 7-pole (6 + PE)
Max. flow1600
Type of connectionSubplate mounting
Connection diagram NFPANFPA T3.5.1 R2-2002 D10
Size_CETOPD10
Nominal flow360
Connection diagramISO 4401-10-09-0-05
Supply voltage24 VDC
Number of switching positions3
Weight43.800
SealsFKM
ConnectivityAnalog, command value ±10 V
Hydraulic fluidHL,HLP,HLPD,HVLP,HVLPD,HETG,HEES,HEPG,HFDU,HFDR

01

02

03

04

05

06

07

08

09

10

11

12

13

14

15

16

17

4

WRZE

7X

/

6E

G24

K31

*

01

4 main ports

4

02

Proportional directional valve with electro-hydraulic actuation and integrated electronics

WRZE

03

Size 10

10

Size 16

16

Size 25

25

Size 32

32

Size 52

52

04

Symbols; for the possible version, see "Symbols/Circuit diagrams"

E; E1-; E3-; W6-; W8-; W9-; EA; W6A

Rated flow NG10

05

25 l/min

25

50 l/min

50

90 l/min

85

Rated flow NG16

05

100 l/min

100

125 l/min

125

150 l/min

150

180 l/min

180

Rated flow NG25

05

220 l/min

220

325 l/min

325

Rated flow NG32

05

360 l/min

360

520 l/min

520

Rated flow NG52

05

1000 l/min

1000

06

Component series 70 ... 79 (70 ... 79: unchanged installation and connection dimensions)

7X

07

For subplate mounting

no code

For flange connection (only NG 52)

F

08

Pilot control valve NG6
Proportional solenoid with detachable coil

6E

09

 

Supply voltage 24 V

G24

10

Without manual override

no code

With concealed manual override

N9 1)

11

Without special type of protection

no code

Sea water-resistant

J2)

Pilot oil supply and return

12

External pilot oil supply, external pilot oil return

no code

Internal pilot oil supply, external pilot oil return

E

Pilot oil supply internal, pilot oil return internal

ET

External pilot oil supply, internal pilot oil return

T

Electrical connection

Without mating connector, with connector according to DIN EN 175301-804, separate order

K31

Electrical interface

14

Command value ±10 V

A1

Command value 4 to 20 mA

F1

15

Without pressure reducing valve

no code

With pressure reducing valve ZDR 6 DP0-4X/40YM-W80 (fixedly set)

D3

16

NBR seals

M

FKM seals

V

17

Further details in the plain text

*

1)

With version “J” → “N” instead of “N9”

2)

For data regarding the seawater-resistant version refer to data sheet 29115-M

For applications outside these parameters, please consult us!

general

Type

4WRZE

Size

10 16 25 32 52

Installation position

any, preferably horizontal

Ambient temperature range

°C

-20 … +50

Storage temperature range

°C

-20 … +80

Weight

For subplate mounting

kg

8 12.1 18.4 42.2 79.7

for flange connection

kg

77.7

with "D3"

kg

8.5 12.6 18.9 42.7 80.2

Sine test according to DIN EN 60068-2-6

10 cycles, 10…2000.. 10 Hz with logarithmic frequency changing speed of 1 octave/min, 5 to 57 Hz, amplitude 1.5 mm (p-p), 57 to 2000 Hz, amplitude 10g, 3 axes

Noise test according to DIN EN 60068-2-64

20…2000 Hz, amplitude 0.05g2/Hz (10gRMS) 3 axes, testing time 30 min per axis

Shock test according to DIN EN 60068-2-27

Half-sine 15g / 11 ms, 3 times in positive and 3 times in negative direction per axis, 3 axes

Damp heat according to DIN EN 60068-2-30

Variant 2: +25 °C … +55 °C, 90 % … 97 % relative humidity, 2 cycles á 24 hours

hydraulic

Size

10 16 25 32 52

Maximum operating pressure

bar

315 350

Operating pressure range

External pilot oil supply

bar

30 … 100 20 … 100

Pilot control valve without "D3", internal pilot oil return

bar

30 … 100

Internal pilot oil supply

bar

100 … 315 100 … 350

Maximum return flow pressure

Port T and R, external pilot oil return

bar

315 250 150 250

Port T, internal pilot oil return

bar

30

Port Y

bar

30

Maximum flow

l/min

170 460 870 1600 2800

Nominal flow

l/min

25
50
85
100
125
150
180
220
325
360
520
1000

Pilot flow

input signal 0 → 100%

Port X and Y

l/min

3.5 5.5 7 15.9 7

Pilot volume

switching process 0 → 100%

cm³

1.7 4.6 10 26.5 54.3

Hydraulic fluid temperature range

°C

-20 … +80

preferably

°C

-40 … +50

Viscosity range

mm²/s

20 … 380

preferably

mm²/s

30 … 46

Maximum admissible degree of contamination of the hydraulic fluid, cleanliness class according to ISO 4406 (c) 1)

Pilot control valve

Class 18/16/13 according to ISO 4406 (c)

Main valve

Class 20/18/15 according to ISO 4406 (c)

Hysteresis

%

≤ 6
1) The cleanliness classes specified for the components must be adhered to in hydraulic systems. Effective filtration prevents faults and simultaneously increases the life cycle of the components. For the selection of the filters, see www.boschrexroth.com/filter.

electrical

Size

10 16 25 32 52

Voltage type

Direct voltage

Command value overlap

%

15

Maximum solenoid current

A

2.5

Maximum current consumption

of the amplifier

A

1.8

of the amplifier (impulse current)

A

3

Solenoid coil resistance

Cold value at 20 °C

Ω

2

Maximum hot value

Ω

3

Actuated time

%

100

Maximum coil temperature 1)

°C

+ 150

Protection class according to DIN EN 60529

IP65 (with mating connector mounted and locked)

Power supply

V

24

Supply voltage range

V

19.4 … 35

Earthing (GND)

V

0

Command value input

"A1"

V

10

Command value input range

"F1"

mA

4 … 20
1) Due to the surface temperatures occurring at the solenoid coils, the European standards ISO 13732-1 and EN 982 need to be adhered to.

Hydraulic fluid

Classification

Suitable sealing materials

Standards

Mineral oils and related hydrocarbons

HL, HLP

NBR / FKM

DIN 51524

Flame-resistant   - containing water

HFC (Fuchs HYDROTHERM 46M, Petrofer Ultra Safe 620)

NBR

ISO 12922

Important information on hydraulic fluids:

For more information and data on the use of other hydraulic fluids please contact us.

There may be limitations regarding the technical valve data (temperature, pressure range, life cycle, maintenance intervals, etc.).

The flash point of the process and operating medium used must be 40 K over the maximum solenoid surface temperature.

Flame-resistant - containing water:
Maximum pressure differential per control edge 175 bar
Pressure pre-loading at the tank port > 20 % of the pressure differential, otherwise increased cavitation
Life cycle as compared to operation with mineral oil HL, HLP 50 % to 100 %

(measured with HLP46, ϑÖl = 40 ±5 °C)

Rated flow 25 l/min at a valve pressure differential of 10 bar

Size 10

technical illustration-R978009278-Size 32, symbol W6, integrated electronics, 24 V DC

Rated flow 50 l/min at a valve pressure differential of 10 bar

Size 10

technical illustration-R978009278-Size 32, symbol W6, integrated electronics, 24 V DC

Rated flow 85 l/min at a valve pressure differential of 10 bar

Size 10

technical illustration-R978009278-Size 32, symbol W6, integrated electronics, 24 V DC

Transition function with stepped electric input signals (ps = 50 bar)

Size 10

technical illustration-R978009278-Size 32, symbol W6, integrated electronics, 24 V DC

Rated flow 100 l/min at a valve pressure differential of 10 bar

Size 16

technical illustration-R978009278-Size 32, symbol W6, integrated electronics, 24 V DC

Rated flow 125 l/min at a valve pressure differential of 10 bar

Size 16

technical illustration-R978009278-Size 32, symbol W6, integrated electronics, 24 V DC

Rated flow 150 l/min at a valve pressure differential of 10 bar

Size 16

technical illustration-R978009278-Size 32, symbol W6, integrated electronics, 24 V DC

Rated flow 180 l/min at a valve pressure differential of 10 bar

Size 16

technical illustration-R978009278-Size 32, symbol W6, integrated electronics, 24 V DC

Transition function with stepped electric input signals (ps = 50 bar)

Size 16

technical illustration-R978009278-Size 32, symbol W6, integrated electronics, 24 V DC

Rated flow 220 l/min at a valve pressure differential of 10 bar

NG25

technical illustration-R978009278-Size 32, symbol W6, integrated electronics, 24 V DC

Rated flow 325 l/min at a valve pressure differential of 10 bar

NG25

technical illustration-R978009278-Size 32, symbol W6, integrated electronics, 24 V DC

Transition function with stepped electric input signals (ps = 50 bar)

NG25

technical illustration-R978009278-Size 32, symbol W6, integrated electronics, 24 V DC

Rated flow 360 l/min at a valve pressure differential of 10 bar

Size 32

technical illustration-R978009278-Size 32, symbol W6, integrated electronics, 24 V DC

Rated flow 520 l/min at a valve pressure differential of 10 bar

Size 32

technical illustration-R978009278-Size 32, symbol W6, integrated electronics, 24 V DC

Transition function with stepped electric input signals (ps = 50 bar)

Size 32

technical illustration-R978009278-Size 32, symbol W6, integrated electronics, 24 V DC

Rated flow 1000 l/min at a valve pressure differential of 10 bar

NG52

technical illustration-R978009278-Size 32, symbol W6, integrated electronics, 24 V DC

Transition function with stepped electric input signals (ps = 50 bar)

NG52

technical illustration-R978009278-Size 32, symbol W6, integrated electronics, 24 V DC

Symbols

technical illustration-R978009278-Size 32, symbol W6, integrated electronics, 24 V DC

With symbols E1- and W8-, the following applies:

P → A: qvmax

B → T: qv/2

P → B: qv/2

A → T: qvmax

With symbols E3- and W9-, the following applies:

P → A: qvmax

B → T: blocked

P → B: qv/2

A → T: qvmax

(Differential circuit, piston top at port A)

Notice:
With symbols W6-, W8-, W9- and W6A, there is - in the “0” spool position - a connection from A →T and B → T with less than 2% of the relevant nominal cross-section.

Pilot oil supply

3 Switching positions

2 Switching positions

(Version ".A)"

technical illustration-R978009278-Size 32, symbol W6, integrated electronics, 24 V DC technical illustration-R978009278-Size 32, symbol W6, integrated electronics, 24 V DC

Type 4WRZ …

External pilot oil supply, external pilot oil return

The pilot oil is supplied from a separate control circuit (external). The pilot oil return is not directed into channel T of the main valve, but is separately directed to the tank via port Y (external).

technical illustration-R978009278-Size 32, symbol W6, integrated electronics, 24 V DC technical illustration-R978009278-Size 32, symbol W6, integrated electronics, 24 V DC

Type 4WRZ …E…

Internal pilot oil supply, external pilot oil return

The pilot oil supply is implemented from channel P of the main valve (internally). The pilot oil return is not directed into channel T of the main valve, but is separately directed to the tank via port Y (external).

In the subplate, port X is to be closed.

technical illustration-R978009278-Size 32, symbol W6, integrated electronics, 24 V DC technical illustration-R978009278-Size 32, symbol W6, integrated electronics, 24 V DC

Type 4WRZ …ET…

Internal pilot oil supply; internal pilot oil return

The pilot oil supply is implemented from channel P of the main valve (internally). The pilot oil is directly returned to channel T of the main valve (internally).

In the subplate, ports X and Y are to be closed.

technical illustration-R978009278-Size 32, symbol W6, integrated electronics, 24 V DC technical illustration-R978009278-Size 32, symbol W6, integrated electronics, 24 V DC

Type 4WRZ …T…

External pilot oil supply, internal pilot oil return

The pilot oil is supplied from a separate control circuit (external). The pilot oil is directly returned to channel T of the main valve (internally).

In the subplate, port Y is to be closed.

Pin assignment

Contact

Assignment interface "A1"

Assignment interface "F1"

Power supply

A

24 VDC (u(t) = 19,4 ... 35 V); Imax = 2 A

B

0 V

C

cannot be used 1)

Differential amplifier input (command value)

D

±10 V command value; Re > 50 kΩ

4 ...20 mA command value; Re > 100 Ω

E

Reference potential command value

F

cannot be used 1)

PE

connected to cooling element and valve housing

1)

Contacts C and F must not be connected!

Command value: Positive command value 0 ... +10 V (or 12 ... 20 mA) at D and reference potential at E cause flow from P → A and B → T.

Negative command value 0 ... –10 V (or 12 ... 4 mA) at D and reference potential at E cause flow from P → B and A → T.

With valves with solenoid on side a (e.g. variant EA and W6A), a positive command value 0 ... +10 V (or 4 ... 20 mA) at D and reference potential at E result in flow from P → B and A → T.

Connection cable: Recommendation: – up to 25 m cable length type LiYCY 7 x 0.75 mm²

– up to 50 m cable length type LiYCY 7 x 1.0 mm²

External diameter 6.5 … 11 mm

Connect shield to PE only on the supply side.

technical illustration-R978009278-Size 32, symbol W6, integrated electronics, 24 V DC technical illustration-R978009278-Size 32, symbol W6, integrated electronics, 24 V DC

Size 10

Dimensions in mm

technical illustration-R978009278-Size 32, symbol W6, integrated electronics, 24 V DC

1

Main valve

2

Pilot control valve

3

Dimension for version 4WRZ (not seawater-resistant)

4

Dimension for version 4WRZE

5

Proportional solenoid "a"

6

Proportional solenoid "b"

7

Mating connector "A", color gray, separate order

8

Mating connector "B", color black, separate order

9

Mating connector according to DIN EN 175201-804, separate order

10

Concealed manual override “N9”

11

Plug screw for valve with one solenoid

12

Name plate pilot control valve

13

Name plate main valve

14

Integrated electronics (OBE)

15

"D3” pressure reducing valve

16

Identical seal rings for ports A, B, P and T (T1)

17

Identical seal rings for ports X and Y

18

Space required to remove the mating connector

19

Diversion plate

20

Machined valve contact surface; Porting pattern according to ISO 4401-05-05-0-05
- Ports X and Y as required

Recommended valve mounting screws (separate order):

4 hexagon socket head cap screws ISO 4762 - M6 x 45 - 10.9-flZn-240h-L

Tightening torque MA = 13.5 Nm ± 10 %, material no. R913000258 or

4 hexagon socket head cap screws ISO 4762 - M6 x 45 - 10.9

Tightening torque MA = 15.5 Nm ± 10 %

Size 16

Dimensions in mm

technical illustration-R978009278-Size 32, symbol W6, integrated electronics, 24 V DC

1

Main valve

2

Pilot control valve

3

Dimension for version 4WRZ (not seawater-resistant)

4

Dimension for version 4WRZE

5

Proportional solenoid "a"

6

Proportional solenoid "b"

7

Mating connector "A", color gray, separate order

8

Mating connector "B", color black, separate order

9

Mating connector according to DIN EN 175201-804, separate order

10

Concealed manual override “N9”

11

Plug screw for valve with one solenoid

12

Name plate pilot control valve

13

Name plate main valve

14

Integrated electronics (OBE)

15

"D3” pressure reducing valve

16

Identical seal rings for ports A, B, P, and T

17

Identical seal rings for ports X and Y

18

Space required to remove the mating connector

19

Diversion plate

20

Machined valve contact surface; Porting pattern according to ISO 4401-07-07-0-05
Deviating from the standard:
Ports P, A, B, T Ø20 mm
Minimum screw-in depth:
- Ferrous metal 1.5 x Ø
- Non-ferrous metal 2 x Ø

21

Locking pin

Recommended valve mounting screws (separate order):

2 hexagon socket head cap screws ISO 4762 - M6 x 60 - 10.9-flZn-240h-L

Tightening torque MA = 12.2 Nm ± 10 % , material no. R913000115

4 hexagon socket head cap screws ISO 4762 - M10 x 60 - 10.9-flZn-240h-L

Tightening torque MA = 58 Nm ± 20 %, material no. R913000116 or

2 hexagon socket head cap screws ISO 4762 - M6 x 60 - 10.9

Tightening torque MA = 15.5 Nm ± 10 %

4 hexagon socket head cap screws ISO 4762 - M10 x 60 - 10.9

Tightening torque MA = 75 Nm ± 20 %

NG25

Dimensions in mm

technical illustration-R978009278-Size 32, symbol W6, integrated electronics, 24 V DC

1

Main valve

2

Pilot control valve

3

Dimension for version 4WRZ (not seawater-resistant)

4

Dimension for version 4WRZE

5

Proportional solenoid "a"

6

Proportional solenoid "b"

7

Mating connector "A", color gray, separate order

8

Mating connector "B", color black, separate order

9

Mating connector according to DIN EN 175201-804, separate order

10

Concealed manual override “N9”

11

Plug screw for valve with one solenoid

12

Name plate pilot control valve

13

Name plate main valve

14

Integrated electronics (OBE)

15

"D3” pressure reducing valve

16

Identical seal rings for ports A, B, P, and T

17

Identical seal rings for ports X and Y

18

Space required to remove the mating connector

19

Diversion plate

20

Machined valve contact surface; Porting pattern according to ISO 4401-08-08-0-05 (ports X and Y as required)

21

Locking pin

Recommended valve mounting screws (separate order):

6 hexagon socket head cap screws ISO 4762 - M12 x 60 - 10.9-flZn-240h-L

Tightening torque MA = 100 Nm ± 20 %, material no. R913000121 or

6 hexagon socket head cap screws ISO 4762 - M12 x 60 - 10.9

Tightening torque MA = 130 Nm ± 20 %

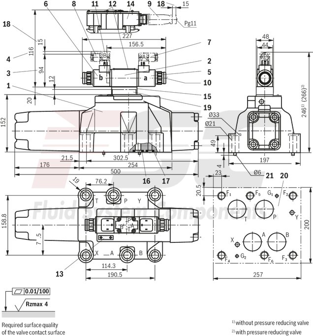
Size 32

Dimensions in mm

technical illustration-R978009278-Size 32, symbol W6, integrated electronics, 24 V DC

1

Main valve

2

Pilot control valve

3

Dimension for version 4WRZ (not seawater-resistant)

4

Dimension for version 4WRZE

5

Proportional solenoid "a"

6

Proportional solenoid "b"

7

Mating connector "A", color gray, separate order

8

Mating connector "B", color black, separate order

9

Mating connector according to DIN EN 175201-804, separate order

10

Concealed manual override “N9”

11

Plug screw for valve with one solenoid

12

Name plate pilot control valve

13

Name plate main valve

14

Integrated electronics (OBE)

15

"D3” pressure reducing valve

16

Identical seal rings for ports A, B, P, and T

17

Identical seal rings for ports X and Y

18

Space required to remove the mating connector

19

Diversion plate

20

Machined valve contact surface; Porting pattern according to ISO 4401-10-09-0-05 (Ports X and Y as required)
Deviating from the standard:
‒ Ports P, A, B and T Ø38 mm
‒ position G11) according DIN 24340 Form A

21

Locking pin

Recommended valve mounting screws (separate order):

6 hexagon socket head cap screws ISO 4762 - M20 x 80 - 10.9-flZn-240h-L

Tightening torque MA = 340 Nm ± 20 %, material no. R901035246 or

4 hexagon socket head cap screws ISO 4762 - M20 x 80 - 10.9

Tightening torque MA = 430 Nm ± 20 %

NG52

Dimensions in mm

technical illustration-R978009278-Size 32, symbol W6, integrated electronics, 24 V DC

1

Main valve

2

Pilot control valve

3

Dimension for version 4WRZ (not seawater-resistant)

4

Dimension for version 4WRZE

5

Proportional solenoid "a"

6

Proportional solenoid "b"

7

Mating connector "A", color gray, separate order

8

Mating connector "B", color black, separate order

9

Mating connector according to DIN EN 175201-804, separate order

10

Concealed manual override “N9”

11

Plug screw for valve with one solenoid

12

Name plate pilot control valve

13

Name plate main valve

14

Integrated electronics (OBE)

15

Space required to remove the mating connector

16

Adapter plate

17

"D3” pressure reducing valve

18

Diversion plate

19

Transport aid

Recommended valve mounting screws (separate order):

4 hexagon socket head cap screws ISO 4762 - M12 x 70 - 10.9-flZn-240h-L

Tightening torque MA = 100 Nm ± 20 %, material no. R913000515 or

4 hexagon socket head cap screws ISO 4762 - M12 x 70 - 10.9

Tightening torque MA = 130 Nm ± 20 %

Mating connectors for valves with round connector, 6-pole + PE

7P Z31

technical illustration-R978009278-Size 32, symbol W6, integrated electronics, 24 V DC

Mating connectors for valves with round connector, 6-pole + PE

7P Z31

For valves with round connector according to EN 175201-804, 6-pole + PE as well as 6-pole, compatible with VG 95328

Data sheet

Spare parts & repair