You are using an outdated browser. For a faster, safer browsing experience, upgrade for free today.

BOSCH REXROTH
R978916728


$1,898.89 USD
  • BOSCH REXROTH
  • Material:R978916728
  • Model:DBW30B3-5X/315-6EG24N9K4/12

Quantity in stock: 0

Note: Sales tax, and shipping will be calculated at checkout.


Size 32, P → T, mechanical, 24 V DC

Industrial hydraulic valve in a high performance range. Reliable pressure limitation to setting value

Unpacked Weight: 6.300 kg

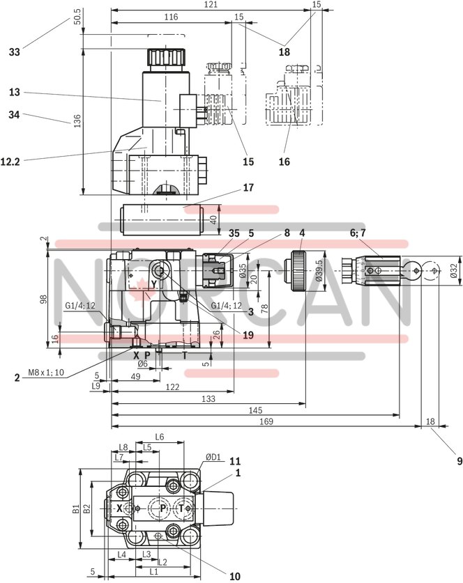
The pressure valve type DBW is a pilot-operated pressure relief valve.

They are used for limiting and solenoid-actuated unloading the operating pressure.

The valve basically consists of the main valve (1) with main spool insert (3) and pilot control valve (2) with pressure adjustment element and one integrated directional spool valve (16).

 

The function of this valve is basically the same as that of valve type DB. The unloading of the main spool (3) is, however, achieved by controlling the mounted directional spool valve (16).

technical illustration-R978916728-Size 32, P → T, mechanical, 24 V DC

Pressure relief valve with switching shock damping (sandwich plate), version "DBW.../..S6...R12"

The opening of the connection from B2 to B1 is delayed by means of the switching shock damping valve (17). Pressure peaks and acoustic decompression shocks in the return line are thus avoided. It is installed between the pilot control valve (2) and the directional valve (16).

The degree of damping (decompression shock) is determined by the size of the nozzle (18). Nozzle Ø1.2 mm (ordering code "R12") is recommended.

technical illustration-R978916728-Size 32, P → T, mechanical, 24 V DC
Seat valvePilot-operatedLockable rotary knob with scaleMaximum flow 650 l/minSize 10 … 32 Component series 5X Maximum operating pressure 350 bar
Max. pressure350
Electrical connection descriptionConnector 3-pole (2 + PE) according to EN 175301-803
Productgroup ID9,10,11,12,13,14
Number of ports2
Type of actuationwith manual actuation
Size32
Electrical connectorConnector 3-pole (2 + PE)
Max. flow650
Type of connectionSubplate mounting
Connection diagramISO 6264-10-17
Supply voltage24 VDC
Number of switching positions2
Weight6.300
SealsNBR
Hydraulic fluidHL,HLP,HLPD,HVLP,HVLPD,HFC (Fuchs: Hydrotherm 46M,
Renosafe 500; Petrofer: Ultra Safe 620; Houghton: Safe 620; Union: Carbide HP5046)
Hydraulic fluidHL,HLP,HLPD,HVLP,HVLPD,HFC

01

02

03

04

05

06

07

08

09

10

11

12

13

14

15

16

17

18

19

20

21

22

DB

W

5X

/

K4

*

01

Pressure relief valve

DB

02

With attached directional valve

W

03

Pilot-operated valve (complete)

no code

Pilot control valve without main spool insert (do not enter any size)

C

Pilot control valve with main spool insert (enter size 10 or 30)

C

Pilot control valve without main spool insert for subplate mounting (do not enter any size)

T 1)

04

Size 10

Subplate mounting "no code"

10

Threaded connection "G"

10 (G1/2)

Size 16

Threaded connection "G"

15 (G3/4)

Size 25

Subplate mounting "no code"

20

Threaded connection "G"

20 (G1)

Threaded connection "G"

25 (G1 1/4)

Size 32

Subplate mounting "no code"

30

Threaded connection "G"

30 (G1 1/2)

05

Normally closed

A

Normally open

B

Type of connection

06

Subplate mounting or cartridge valve

no code

For threaded connection

G

Adjustment type for pressure adjustment

07

Rotary knob (not for version "C" and "T")

1

Sleeve with hexagon and protective cap

2

Lockable rotary knob with scale

3 2)

Rotary knob with scale

7

08

Main spool Ø24 mm (all sizes)

Main spool Ø28 mm (only for NG32)

N

09

Component series 50 … 59 (50 … 59: unchanged installation and connection dimensions)

5X

10

Set pressure up to 50 bar

50

Set pressure up to 100 bar

100

Set pressure up to 200 bar

200

Set pressure up to 315 bar

315

Set pressure up to 350 bar

350

Pilot oil flow

11

External pilot oil supply, internal pilot oil return

X 3)

Internal pilot oil supply, external pilot oil return

Y

Pilot oil supply and pilot oil return external

XY 3)

12

Standard version

no code

Valve for minimum cracking pressure (not for versions "without main spool insert" and not suitable for mutual relief)

U 4)

13

Without switching shock damping

no code

With switching shock damping

S

14

With directional spool valve (data sheet 23178)

6E

With directional seat valve (data sheet 22058)

6SM

15

Direct voltage 24 V

G24

Alternating voltage 230 V, 50/60 Hz

W230

16

Without manual override

no code

With concealed manual override

N9

With manual override

N

Electrical connection

17

Connector DIN EN 175301-803

K4 5)

18

Nozzle Ø1,2 mm in channel B of the directional spool valve (version "6E")

R12 6)

Nozzle Ø1,2 mm in channel P of the directional seat valve (version "6SM")

B12 6)

Corrosion resistance

19

None

no code

Seal material

20

NBR seals

no code

FKM seals

V

Observe compatibility of seals with hydraulic fluid used. (Other seals upon request)

Equipment Directive

21

Without type-examination procedure

no code

Type-examination tested safety valve according to Pressure Equipment Directive 2014/68/EU

E

22

Further details in the plain text

*

1) DBT corresponds to DBC, however with closed central bore
2) H-Key with material no. R900008158 is included in the scope of delivery.
3) Not with version "DBC"
4) Only possible up to pressure rating 315 bar
5) Mating connectors, separate order, see "Accessories"
6) Ordering code only necessary with version with attached directional valve and switching shock damping ("S")

Type-examination tested safety valves type DBW…E

(Component series 5X according to Pressure Equipment Directive 2014/68/EU)

NG

Type designation

Component marking

Maximum flow qVmax in l/min with pilot oil return

Set response overpressurep in bar

external "Y"

internal "–"

10

technical illustration-R978916728-Size 32, P → T, mechanical, 24 V DC

TÜV.SV.▢ – 851.12.F.G.p

170

230

230

230

130

200

200

200

30 ... 60

61 ... 110

111 ... 210

211 ... 350

25

technical illustration-R978916728-Size 32, P → T, mechanical, 24 V DC

TÜV.SV.▢ – 852.22.F.G.p

250

270

420

450

180

210

320

400

30 ... 60

61 ... 110

111 ... 210

211 ... 350

32

technical illustration-R978916728-Size 32, P → T, mechanical, 24 V DC

TÜV.SV.▢ – 853.32.F.G.p

600

600

650

700

225

340

540

580

30 ... 60

61 ... 110

111 ... 210

211 ... 350

1

Directional valve, normally closed

A

Directional valve, normally open

B

2

For subplate mounting

no code

For threaded connection

G

Adjustment type for pressure adjustment

3

Hand wheel (pressure adjustment sealed, unloading or setting of a lower response pressure possible!)

1

With sealed protective cap (no adjustment/unloading possible)

2

Pressure

4

To be entered by the customer, e.g. pressure adjustment ≥ 30 bar and possible in 5 bar steps.

e.g. 150

Pilot oil flow

5

Pilot oil supply internal, pilot oil return internal

no code

Pilot oil supply internal, pilot oil return external (Recommendation)

Y 1)

Electrical specifications

6

see Type code above

e.g. EG24N9K4

7

NBR seals

no code

FKM seals

V

Value entered at the factory

1) Pilot oil supply external "X" not possible

general

Size

10 16 25 32
DB.. 15 DB.. 20 DB.. 25

Weight

Subplate mounting

DBW...

kg

4.05 - 4.95 - 5.85

DBWC...

kg

2.65

DBWC 10 or 30 ...

kg

2.95

Threaded connection

DBW...G

kg

6.75 6.65 6.55 6.45 6.25

Installation position

any

Ambient temperature range

NBR seals

°C

-30 … +50

FKM seals

°C

-15 … +50

Minimum stability of the housing materials

with subplate mounting and version "DBWC"

Housing materials are to be selected so that there is sufficient safety for all imaginable operating conditions (e.g. with regard to pressure resistance, thread stripping strengths and tightening torques).

hydraulic

Size

10 16 25 25 32

Maximum operating pressure

Port P

bar

350

Port X

bar

350

Port T

bar

315

Maximum counter pressure

Port Y (DC solenoid)

bar

210

Port Y (AC solenoid)

bar

160

Port T (DC solenoid)

bar

210

Port T (AC solenoid)

bar

160

Minimum set pressure

flow-dependent, see characteristic curves

Maximum set pressure

bar

50
100
200
315
350

Maximum flow

Subplate mounting

l/min

250 - 500 - 650

Threaded connection

l/min

250 500 650

Hydraulic fluid

see table

Hydraulic fluid temperature range

NBR seals

°C

-30 … +80

FKM seals

°C

-15 … +80

Viscosity range

mm²/s

10 … 800

Maximum admissible degree of contamination of the hydraulic fluid 1)

Class 20/18/15 according to ISO 4406 (c)
1) The cleanliness classes specified for the components must be adhered to in hydraulic systems. Effective filtration prevents faults and simultaneously increases the life cycle of the components. For the selection of the filters, see www.boschrexroth.com/filter.

Notes:

Tank preloading adds to the minimum set pressure (ports T and Y) Technical data for directional seat valve see data sheet 22058, for directional spool valve data sheet 23178.

Hydraulic fluid

Classification

Suitable sealing materials

Standards

Data sheet

Mineral oils

HL, HLP

NBR, FKM

DIN 51524

90220

Bio-degradable

1)

Insoluble in water

HETG

FKM

ISO 15380

90221

HEES

FKM

Soluble in water

HEPG

FKM

ISO 15380

Flame-resistant

Water-free

HFDU (glycol base)

FKM

ISO 12922

90222

HFDU (ester base)

1)

FKM

Important information on hydraulic fluids:

For further information and data on the use of other hydraulic fluids, please refer to the data sheets above or contact us. There may be limitations regarding the technical valve data (temperature, pressure range, life cycle, maintenance intervals, etc.). The ignition temperature of the hydraulic fluid used must be 50 K higher than the maximum solenoid surface temperature. Flame-resistant – containing water: Maximum operating pressure 210 bar Life cycle as compared to operation with mineral oil HL, HLP 30 … 100 % Maximum hydraulic fluid temperature 60 °C Bio-degradable and flame-resistant: If this hydraulic fluid is used, small amounts of dissolved zinc may get into the hydraulic system.
1) Not recommended for corrosion-protected version “J3”

Deviating technical data: Type-examination tested safety valves type DBW…E

(Component series 5X according to Pressure Equipment Directive 2014/68/EU)

hydraulic

Version

Pilot oil flow "no code" Pilot oil flow "Y"

Maximum counter pressure

Port Y

bar

- 0

Port T

See characteristic curves and explanatory notes for maximum counter pressure PT < 15

Maximum flow

See ordering code, safety instructions and characteristic curves "Type-examination tested safety valve"

Hydraulic fluid

Mineral oil (HL, HLP) according to DIN 51524 and DIN 51524-1

Viscosity range

mm²/s

12 … 230

For applications outside these parameters, please consult us!

(measured with HLP46, ϑOil = 40 ±5 °C)

Standard version

Minimum set pressure and circulation pressure dependent on the flow 1)

technical illustration-R978916728-Size 32, P → T, mechanical, 24 V DC
1) The characteristic curves apply to an output pressure pT =0 bar in the entire flow range.

Version “U”

Minimum set pressure and circulation pressure dependent on the flow 1)

technical illustration-R978916728-Size 32, P → T, mechanical, 24 V DC

Inlet pressure dependent on the flow

technical illustration-R978916728-Size 32, P → T, mechanical, 24 V DC

Notice:

The characteristic curves were measured with external, depressurized pilot oil return.

Due to the internal pilot oil return, the inlet pressure increases by the output pressure present in port T.

Pilot flow

technical illustration-R978916728-Size 32, P → T, mechanical, 24 V DC

Type-examination tested safety valves

(Component series 5X, according to Pressure Equipment Directive 2014/68/EU)

Counter pressure in the discharge line

Basically, the valve should be operated without counter pressure in the discharge line, if possible. With counter pressure in the discharge line, the maximum flow possible is reduced. There is a relation between the maximum counter pressure pT in the discharge line and flow qV, which can be seen from the following characteristic curves. Characteristic curves for intermediate values of the response pressure which are not listed must be determined by means of interpolation.

With a flow approaching zero, the maximum counter pressure pT is in each case 10 % of the response pressure. With increasing flow, the maximum counter pressure pT is reduced.

 

Interpolation of intermediate values from the diagram

At the pT axis, mark 1/10 of the value of pA. Determine the next lower and the next higher characteristic curve for this point. The point marked at pT divides the section between lower and higher characteristic curve on the pT axis with a certain percentage. At the qVmax axis, divide the section between next lower and next higher characteristic curve in the same percentage as the section at the pT axis. From the zerocrossing on the qVmax axis determined in that way, draw a straight line to the value on the pT axis marked before. Mark the system flow to be secured at the qVmax axis. Read off the maximum counter pressure for this value using the line at the pT axis drawn before.

 

Determination of the maximum counter pressure

Example 1 (with already existing characteristic curve):

Flow of the system / accumulator to be secured:qVmax = [si]300 l/min[/si][imp]79.3 USgpm[/imp Safety valve set to: pA = [si]80 bar[/si][imp]1150 psi[/imp]. Read off the maximum counter pressure pT of approx. [si]12 bar[/si][imp]175 psi[/imp] from the diagram (see arrows, dashed line " ").

 

Example 2 (with interpolated characteristic curve):

Flow of the system / accumulator to be secured: qVmax = [si]300 l/min[/si][imp]79.3 USgpm[/imp Safety valve set to: pA = [si]80 bar[/si][imp]1150 psi[/imp] Value to be marked at the axis referred to as pT: 1/10 x [si]80 bar[/si][imp]1150 psi[/imp] = [si]8 bar[/si][imp]115 psi[/imp]. Read off the maximum counter pressure pT of approx. [si]1 bar[/si][imp]15 psi[/imp] from the diagram (see arrows, dashed/dotted line " ").

 

Size 10

Diagram for determining the maximum counter pressure pT in the discharge line at port T of the valve dependent on the flow qVmax for valves type DB(W)...E with different response pressures pA.Intermediate values may be determined by means of interpolation. Regarding the procedure for interpolation refer to "Interpolation of intermediate values from the diagram".

technical illustration-R978916728-Size 32, P → T, mechanical, 24 V DC

Size 20

Diagram for determining the maximum counter pressure pT in the discharge line at port T of the valve dependent on the flow qVmax for valves type DB(W)...E with different response pressures pA.Intermediate values may be determined by means of interpolation. Regarding the procedure for interpolation refer to "Interpolation of intermediate values from the diagram".

technical illustration-R978916728-Size 32, P → T, mechanical, 24 V DC

Size 30

Diagram for determining the maximum counter pressure pT in the discharge line at port T of the valve dependent on the flow qVmax for valves type DB(W)...E with different response pressures pA.Intermediate values may be determined by means of interpolation. Regarding the procedure for interpolation refer to "Interpolation of intermediate values from the diagram".

technical illustration-R978916728-Size 32, P → T, mechanical, 24 V DC

pA

Response pressure in bar

pT

Maximum counter pressure in the discharge line (port T) in bar

(sum of all possible counter pressures; also see AD2000 data sheet - A2)

pT max

10% x pA (with qV=0 l/min) according to Pressure Equipment Directive 2014/68/EU

qV max

Maximum flow in l/min

Type DBW…S6E...R12

technical illustration-R978916728-Size 32, P → T, mechanical, 24 V DC

Threaded connection "G"

Dimensions in mm

technical illustration-R978916728-Size 32, P → T, mechanical, 24 V DC

1

Name plate

2

X port for pilot oil supply, external

3

Y port for pilot oil return, external

4

Adjustment type "1"

5

Adjustment type "2"

6

Adjustment type "3"

7

Adjustment type "7"

8

Hexagon SW10

9

Space required to remove the key

11

Valve mounting bores

19

Omitted with internal pilot oil return

Version

D1

ØD2

T1

mm

mm

"DB 10 G" G1/2 34 14
"DB 15 G" G3/4 42 16
"DB 20 G" G1 47 18
"DB 25 G" G1 1/4 58 20
"DB 30 G" G1 1/2 65 22

Dimensions for attached directional valve see "Subplate mounting"

Subplate mounting with directional spool valve "6E"

technical illustration-R978916728-Size 32, P → T, mechanical, 24 V DC

1

Name plate

2

X port for pilot oil supply, external

3

Y port for pilot oil return, external

4

Adjustment type "1"

5

Adjustment type "2"

6

Adjustment type "3"

7

Adjustment type "7"

8

Hexagon SW10

9

Space required to remove the key

10

Locking pin

11

Valve mounting bores

12.1

Directional spool valve NG6

13

Solenoid “a”

14

Dimension for valve without manual override

15

Mating connector without circuitry (separate order)

16

Mating connector with circuitry (separate order)

17

Switching shock damping valve, optional

18

Space required to remove the mating connector

19

Omitted with internal pilot oil return

30

Dimension for solenoid with manual override “N”

31

Dimension ( ) for valve with AC solenoid

32

Dimension for valve with DC solenoid

33

Space required to remove the solenoid coil

34

Dimension for valve with concealed manual override "N9"

35

Lock nut SW17, tightening torque MA = 10+5 Nm

Version

L1

L2

L3

L4

L5

L6

L7

L8

L9

B1

B2

ØD1

mm

mm

mm

mm

mm

mm

mm

mm

mm

mm

mm

mm

"DB 10" 91 53.8 22.1 27.5 22.1 47.5 0 25.5 2 78 53.8 14
"DB 20" 116 66.7 33.4 33.3 11.1 55.6 23.8 22.8 10.5 100 70 18
"DB 30" 147.5 88.9 44.5 41 12.7 76.2 31.8 20 21 115 82.6 20

Subplate mounting with directional seat valve "6SM"

technical illustration-R978916728-Size 32, P → T, mechanical, 24 V DC

1

Name plate

2

X port for pilot oil supply, external

3

Y port for pilot oil return, external

4

Adjustment type "1"

5

Adjustment type "2"

6

Adjustment type "3"

7

Adjustment type "7"

8

Hexagon SW10

9

Space required to remove the key

10

Locking pin

11

Valve mounting bores

12.2

Directional seat valve NG6

13

Solenoid “a”

14

Dimension for valve without manual override

15

Mating connector without circuitry (separate order)

16

Mating connector with circuitry (separate order)

17

Switching shock damping valve, optional

18

Space required to remove the mating connector

19

Omitted with internal pilot oil return

30

Dimension for solenoid with manual override “N”

31

Dimension ( ) for valve with AC solenoid

32

Dimension for valve with DC solenoid

33

Space required to remove the solenoid coil

34

Dimension for valve with concealed manual override "N9"

35

Lock nut SW17, tightening torque MA = 10+5 Nm

Pilot control valve with ("DBWC 10 or 30") or without main spool insert ("DBWC, DBWT")

Dimensions in mm

technical illustration-R978916728-Size 32, P → T, mechanical, 24 V DC

Dimensions for attached directional valve see "Subplate mounting"

Installation bore

Dimensions in mm

technical illustration-R978916728-Size 32, P → T, mechanical, 24 V DC

1

Name plate

3

Y port for pilot oil return, external

5

Adjustment type "2"

6

Adjustment type "3"

7

Adjustment type "7"

8

Hexagon SW10

9

Space required to remove the key

11

Valve mounting bores

20

Seal ring

21

Main spool insert

22

Bore Ø32 mm can cut Ø45 mm at any point. However, it must be observed that the connection bore X and the mounting bore are not damaged!

23

Support ring and seal ring are to be inserted into this bore before assembly of the main spool.

24

Nozzle (separate order; recommended nozzle Ø1.0 mm)

25

Seal ring

26

Seal ring

27

Seal ring

28

Support ring

29

Support ring

35

Lock nut SW17, tightening torque MA = 10+5 Nm

Valve mounting screws (separate order)

For reasons of stability, exclusively the following valve mounting screws may be used:

Version "DB 10"
4 x ISO 4762 - M12 x 50 - 10.9-flZn/nc/480h/C
with friction coefficient μtotal = 0.09 … 0.14
tightening torque MA  = 75 Nm ±10%
material no. R913015611 Version "DB 20"
4 x ISO 4762 - M16 x 50 - 10.9-flZn/nc/480h/C
with friction coefficient μtotal = 0.09 … 0.14
tightening torque MA = 185 Nm ±10%
material no. R913015664 Version "DB 30"
4 x DIN 912 - M18 x 50 - 10.9-flZn/nc/480h/C
with friction coefficient μtotal = 0.09 … 0.14
tightening torque MA = 248 Nm ±10%
material no. R913015903 Version "DBC", "DBC 10", "DBC 30" and "DBT"
4 x ISO 4762 - M8 x 40 - 10.9-flZn/nc/480h/C
with friction coefficient μtotal = 0.09 … 0.14
tightening torque MA = 31 Nm ±10%
material no. R913015798

 

Notice:

The tightening torques stated are guidelines when using screws with the specified friction coefficients and when using a manual torque wrench (tolerance ±10%).

technical illustration-R978916728-Size 32, P → T, mechanical, 24 V DC

Required surface quality of the valve contact surface

Safety instructions: Type-examination tested safety valves type DB…E

(Component series 5X according to Pressure Equipment Directive 2014/68/EU)

Before ordering a type-examination tested safety valve, it must be observed that for the desired response overpressure p, the maximum admissible flow qV max of the safety valve must be larger than the maximum possible flow of the system. According to Pressure Equipment Directive 2014/68/EU , the increase of the system pressure by the flow must not be higher than 10 % of the set response pressure (see component marking). Discharge lines (ports T and Y) of safety valves must end in a risk-free manner. The accumulation of fluids in the discharge lines must not be possible (AD 2000 data sheet A 2). If a lead seal at the safety valve is removed, the approval according to the PED! Basically, the requirements of the Pressure Equipment Directive 2014/68/EU and of data sheet AD 2000 A 2 have to be observed.

 

It is imperative to observe the application notes!

In the plant, the response pressure specified in the component marking is set at a flow of 2 l/min.

The maximum admissible flow stated in the component marking (= numerical value instead of the character "G" in the component marking, see ordering code, type-examination tested safety valves) must not be exceeded.

It applies to:

Pilot oil return “external” (= Y in the ordering key) without counter pressure in the discharge line Y, admissible counter pressure in the discharge line (port T) < 15 bar Pilot oil return “internal” (= no code in the ordering key). The maximum admissible flow is only admissible without counter pressure in the discharge line (port T).

With internal pilot oil return, the system pressure increases by the counter pressure in the discharge line (port T) with increasing flow (observe AD2000 - data sheet A2 - item 6.3!).

To ensure that this increase in system pressure caused by the flow does not exceed the value of 10% of the set response pressure, the admissible flow has to be reduced dependent on the counter pressure in the discharge line (port T) (see diagrams (Safety instructions, Type-examination tested safety valves)).

 

 

It is imperative to observe the application notes!

In the plant, the response pressure specified in the component marking is set with a flow of 11 l/min. The maximum admissible flow stated in the component marking (= numerical value instead of the character "G" in the component marking, see ordering code, type-examination tested safety valves) must not be exceeded.
It applies to: Pilot oil return external ("Y") without counter pressure in the discharge line Y; admissible counter pressure in the discharge line (port T) < 15 bar Pilot oil return internal ("no code"). The maximum flow is only admissible without counter pressure in the discharge line (port T).

 

With internal pilot oil return, the system pressure increases by the counter pressure in the discharge line (port T) due to the increasing flow (observe AD2000 - data sheet; A2, item 6.3!)

To ensure that this increase in system pressure caused by the flow does not exceed 10% of the set response pressure, the admissible flow has to be reduced dependent on the counter pressure in the discharge line (port T) (see diagrams (Safety instructions, Type-examination tested safety valves)).

 

Notice:

Possible unloading via the directional valve must not be applied for safety-relevant functions! If unloading is required for safety-relevant functions, an additional unloading valve must be installed.

 

General information

The unloading function (directional valve function with version "DBW") must not be used for safety functions! With version "B", the lowest adjustable pressure (circulation pressure) is set in case of power failure or cable break. With version "A", the pressure limiting function is set in case of power failure or cable break. Hydraulic counter pressures in port T with internal pilot oil return and/or port Y with external pilot oil return add 1:1 to the response pressure of the valve set at the pilot control.
Example: Pressure adjustment of the valve by spring preload (item 9 "Product description") in the pilot control valve/adjustment type pspring = 200 bar Hydraulic counter pressure in port T with internal pilot oil return phydraulic = 50 bar => Response pressure = pspring + phydraulic = 250 bar

Mating connectors for valves with connector “K4”, without circuitry, standard

3P Z4

technical illustration-R978916728-Size 32, P → T, mechanical, 24 V DC

Mating connectors for valves with connector “K4”, without circuitry, standard

3P Z4

For valves with connector “K4” according to EN 175301-803 and ISO 4400, 2-pole + PE, “large cubic connector” Mating connectors for valves with one or two solenoids (individual connection)

Data sheet

Spare parts & repair

Mating connectors for valves with connector “K4”, without circuitry, standard

3P Z45

technical illustration-R978916728-Size 32, P → T, mechanical, 24 V DC

Mating connectors for valves with connector “K4”, without circuitry, standard

3P Z45

For valves with connector “K4” according to EN 175301-803 and ISO 4400, 2-pole + PE, “large cubic connector” Mating connectors for valves with one or two solenoids (individual connection)

Data sheet

Spare parts & repair

Mating connectors for valves with connector “K4”, with indicator light

3P Z5L

technical illustration-R978916728-Size 32, P → T, mechanical, 24 V DC

Mating connectors for valves with connector “K4”, with indicator light

3P Z5L

For valves with connector “K4” according to EN 175301-803 and ISO 4400, 2-pole + PE, “large cubic connector” Mating connectors for valves with one or two solenoids (individual connection)

Data sheet

Spare parts & repair

Mating connectors for valves with connector “K4”, with indicator light and Zener diode suppression circuit

3P Z5L1

technical illustration-R978916728-Size 32, P → T, mechanical, 24 V DC

Mating connectors for valves with connector “K4”, with indicator light and Zener diode suppression circuit

3P Z5L1

For valves with connector “K4” according to EN 175301-803 and ISO 4400, 2-pole + PE, “large cubic connector” Mating connectors for valves with one or two solenoids (individual connection)

Data sheet

Spare parts & repair

Mating connectors for valves with connector “K4”, with rectifier

3P RZ5

technical illustration-R978916728-Size 32, P → T, mechanical, 24 V DC

Mating connectors for valves with connector “K4”, with rectifier

3P RZ5

For valves with connector “K4” according to EN 175301-803 and ISO 4400, 2-pole + PE, “large cubic connector” Mating connectors for valves with one or two solenoids (individual connection)

Data sheet

Spare parts & repair

Ordering code: Type-examination tested safety valves type DBW…E, component series 5X according to Pressure Equipment Directive 97/23/EC

NG

Type designation

Component marking

Maximum flow qVmax in l/min with pilot oil return

Set response overpressurep in bar

external "Y"

internal "–"

10

1 2 3 4 5 * 6

DBW 10 ▢▢▢–5X//▢▢6▢▢E

TÜV.SV.▢ – 851.12.F.G.p

170

230

230

230

130

200

200

200

30 ... 60

61 ... 110

111 ... 210

211 ... 350

25

1 2 3 4 5 * 6

DBW 20 ▢▢▢–5X//▢▢6▢▢E

TÜV.SV.▢ – 852.22.F.G.p

250

270

420

450

180

210

320

400

30 ... 60

61 ... 110

111 ... 210

211 ... 350

32

1 2 3 4 5 * 6

DBW 30 ▢▢▢–5X//▢▢6▢▢E

TÜV.SV.▢ – 853.32.F.G.p

600

600

650

700

225

340

540

580

30 ... 60

61 ... 110

111 ... 210

211 ... 350

1

Directional valve, normally closed

A

Directional valve, normally open

B

2

For subplate mounting

no code

For threaded connection

G

3

Hand wheel (pressure adjustment sealed, unloading or setting of a lower response pressure possible!)

1

With sealed protective cap (no adjustment/unloading possible)

2

4

Pressure in the designation is to be entered by the customer, e.g. pressure adjustment ≥ [si]50 bar[/si][imp]725 psi[/imp] and possible in [si]5 bar[/si] [/imp]75 psi[/imp] steps.

150

5

Pilot oil supply and return, internal

– 1;2)

Pilot oil supply internal, pilot oil return external (Recommendation)

Y 2)

*

Ordering code of the electric data e.g.

EG24N9K4

6

NBR seals

no code

FKM seals

V

Value entered at the factory

1) Dash “–” only necessary with version with attached directional valve (DBW)
2) External pilot oil supply “X” not possible!